|

|
一、概述
DYTP型系列電液推桿適用于往復推、拉直線(或往復旋轉一定角度)運動,可用于上升,下降或夾緊工作物的場所,也可用于遠距離及高空危險地區,并可和計算機聯網進行集中(程序)控制。現已廣泛用于冶金、礦山、煤碳、電力、機械、糧食、水泥、化工、水利、運輸、交通、港口、軍事裝備、等行業,是不可缺少的通用動力源。該產品與電動推桿氣缸液壓缸相比具有如下優點:
1、電液推桿可以帶負荷啟動,而電動推桿很困難。
2、同一臺電液推桿在其額定的推、拉力范圍內,其推、拉力可進行無級調節,因而具有驅動力范圍廣,而電動推桿和氣缸則無法辦到。
3、在推力和速度相同的情況下,電液推桿消耗的電能是電動推桿和電動執行機構的一半。
4、電液推桿采用全液壓傳動,動作靈敏,運行平穩,具有效減緩外來的沖擊力,行程控制準確、氣缸、電動推桿和電動執行機構則不能做到。
5、電液推桿采用機、電液一體化全封閉結構,工作油路循環于無壓的鋼筒內,體積小,不漏油,便于安裝維修。在惡劣的環境下防吸塵、防進水、內部不銹蝕、使用壽命比氣缸、電動推桿、電動執行機構長久。
6、投資小。氣缸需建昂貴的空壓站,氣壓管路泄漏,氣壓不穩定,噪音高;液壓缸需建立泵站,而電液推桿只需接通電源即可使用。
二、工作原理
1、電液推桿是一種機電液一體化封閉結構,它以執行機構、控制機構和壓力泵組成。電動機油泵、液壓控制閥和液壓缸可裝在同一軸線上,也可按需要裝在不同的軸線上。接通電動機電源,通過控制電動機正反轉使雙向油泵輸出壓力油,經液壓控制閥送至油缸,實現油缸活塞桿的往復運動。
2、液壓控制閥組主要由溢流閥、調節閥、液控單向閥等組成,也可以根據電液推桿的工作特性,設計不同功能的油路組合閥,滿足其工作要求。一般有推出自鎖、拉回自鎖和推拉都自鎖;運行速度有可調型和不可調型;整體推桿有水平使用、向上使用、向下使用。 |
| |
| 三、電液推桿結構簡介圖 |
| |
 |
| |
| 1、機座 2、聯軸器 3、泵機座 4、泵 5、油箱 6、集成塊 7、檢修口 8、空氣濾器 9、油缸底座 10、節流閥 11、鎖緊圓螺母 12、活寒 13 活寒環 14、油缸體 15、導向套 16、缸頭螺母 17、防塵套 18、拼緊螺母 19、連接叉頭 |
| |
| 四、型號表示方法 |
| |
 |
| |
| 五、電液推桿主要技術參數 |
| |
|
型號
|
額定輸出力(kg.f)
|
額定推拉速度(mm/s)
|
電機功率(kw)
|
行程范圍(mm)
|
|
推力
|
拉力
|
推速
|
拉速
|
|
DYT450I
|
≤450
|
≤300
|
50
|
70
|
0.55
|
50~2000
|
|
DYT450II
|
≤450
|
≤300
|
100
|
150
|
0.75
|
50~2000
|
|
DYT450III
|
≤450
|
≤300
|
200
|
300
|
1.5
|
50~2000
|
|
DYT450IV
|
≤450
|
≤300
|
300
|
450
|
2.2
|
50~2000
|
|
DYT700I
|
>450-700
|
>300-500
|
50
|
70
|
0.75
|
50~2000
|
|
DYT700II
|
>450-700
|
>300-500
|
100
|
150
|
1.5
|
50~2000
|
|
DYT700III
|
>450-700
|
>300-500
|
150
|
220
|
2.2
|
50~2000
|
|
DYT700IV
|
>450-700
|
>300-500
|
200
|
300
|
4
|
50~2000
|
|
DYT1000I
|
>700-1000
|
>500-700
|
50
|
70
|
1.1
|
50~2000
|
|
DYT1000II
|
>700-1000
|
>500-700
|
100
|
150
|
2.2
|
50~2000
|
|
DYT1000III
|
>700-1000
|
>500-700
|
150
|
220
|
3
|
50~2000
|
|
DYT1000IV
|
>700-1000
|
>500-700
|
200
|
300
|
5.5
|
50~2000
|
|
DYT1500I
|
>1000-1500
|
>700-1000
|
20
|
30
|
1.1
|
50~2000
|
|
DYT1500II
|
>1000-1500
|
>700-1000
|
50
|
75
|
2.2
|
50~2000
|
|
DYT1500III
|
>1000-1500
|
>700-1000
|
80
|
120
|
4
|
50~2000
|
|
DYT1500IV
|
>1000-1500
|
>700-1000
|
120
|
180
|
5.5
|
50~2000
|
|
DYT2000I
|
>1500-2000
|
>1000-1500
|
20
|
30
|
2.2
|
50~2000
|
|
DYT2000II
|
>1500-2000
|
>1000-1500
|
50
|
75
|
4
|
50~2000
|
|
DYT2000III
|
>1500-2000
|
>1000-1500
|
95
|
140
|
7.5
|
50~2000
|
|
DYT3000I
|
>2000-3000
|
>1500-2000
|
20
|
30
|
2.2
|
50~2000
|
|
DYT3000II
|
>2000-3000
|
>1500-2000
|
40
|
60
|
4
|
50~2000
|
|
DYT3000III
|
>2000-3000
|
>1500-2000
|
75
|
110
|
7.5
|
50~2000
|
|
DYT5000I
|
>3000-5000
|
>2000-3000
|
30
|
45
|
4
|
50~2000
|
|
DYT5000II
|
>3000-5000
|
>2000-3000
|
50
|
70
|
7.5
|
50~2000
|
|
DYT8000I
|
>5000-8000
|
>3000-5000
|
30
|
45
|
5.5
|
50~2500
|
|
DYT12000I
|
>8000-12000
|
>5000-8000
|
19
|
27
|
11
|
50~2500
|
|
|
選型說明:電液推桿主要由推桿的安裝形式、電機的防護等級、額定輸出力、行程、運行速度和使用角度,六大要素組成。還可以根據用戶特殊要求配套三種調節功能。即:速度調節、行程調節(行程開關定位)。除了此三種調節功能必須在訂貨時注明要求外。其它請參照型號編制方法、方式填寫六大基本要求。
|
| |
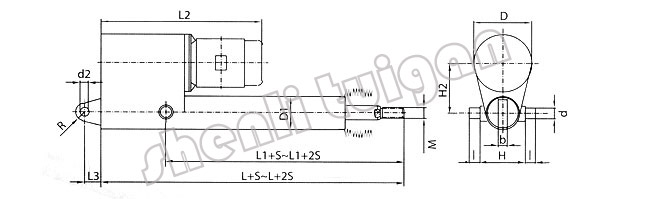
| 六、DTYP、DYTPs型平行式電液推桿外形尺寸及安裝尺寸 |
| |
 |
| |
| 型號 |
外形尺寸 |
安裝尺寸 |
| D |
D1 |
L |
L2 |
H2 |
R |
L1 |
L3 |
H |
I |
d |
H1 |
Ф1 |
M |
| DYTP450Ⅰ |
108 |
200 |
205 |
565 |
180 |
25 |
105 |
40 |
130 |
20 |
25 |
30 |
20 |
22×1.5 |
| DYTP450Ⅱ |
108 |
200 |
205 |
570 |
180 |
25 |
105 |
40 |
130 |
20 |
25 |
30 |
20 |
22×1.5 |
| DYTP450Ⅲ |
108 |
200 |
205 |
625 |
180 |
25 |
105 |
40 |
130 |
20 |
25 |
30 |
20 |
22×1.5 |
| DYTP450Ⅳ |
108 |
250 |
205 |
685 |
220 |
25 |
105 |
40 |
130 |
20 |
25 |
30 |
20 |
22×1.5 |
| DYTP700Ⅰ |
108 |
200 |
220 |
570 |
180 |
25 |
120 |
40 |
130 |
30 |
35 |
30 |
20 |
27×2 |
| DYTP700Ⅱ |
108 |
200 |
220 |
620 |
180 |
25 |
120 |
40 |
130 |
30 |
35 |
30 |
20 |
27×2 |
| DYTP700Ⅲ |
108 |
250 |
220 |
685 |
220 |
25 |
120 |
40 |
130 |
30 |
35 |
30 |
20 |
27×2 |
| DYTP700Ⅳ |
108 |
250 |
220 |
715 |
220 |
25 |
120 |
40 |
130 |
30 |
35 |
30 |
20 |
27×2 |
| DYTP1000Ⅰ |
133 |
200 |
220 |
585 |
200 |
35 |
120 |
60 |
180 |
30 |
35 |
40 |
30 |
27×2 |
| DYTP1000Ⅱ |
133 |
250 |
220 |
655 |
220 |
35 |
120 |
60 |
180 |
30 |
35 |
40 |
30 |
27×2 |
| DYTP1000Ⅲ |
133 |
250 |
220 |
685 |
220 |
35 |
120 |
60 |
180 |
30 |
35 |
40 |
30 |
27×2 |
| DYTP1000Ⅳ |
133 |
300 |
220 |
830 |
250 |
35 |
120 |
60 |
180 |
30 |
35 |
40 |
30 |
27×2 |
| DYTP1500Ⅰ |
133 |
200 |
255 |
590 |
200 |
35 |
155 |
60 |
180 |
30 |
35 |
40 |
30 |
33×2 |
| DYTP1500Ⅱ |
133 |
250 |
255 |
665 |
220 |
35 |
155 |
60 |
180 |
30 |
35 |
40 |
30 |
33×2 |
| DYTP1500Ⅲ |
133 |
250 |
255 |
755 |
220 |
35 |
155 |
60 |
180 |
30 |
35 |
40 |
30 |
33×2 |
| DYTP1500Ⅳ |
133 |
300 |
255 |
900 |
250 |
35 |
155 |
60 |
180 |
30 |
35 |
40 |
30 |
33×2 |
| DYTP2000Ⅰ |
165 |
250 |
265 |
655 |
240 |
45 |
165 |
70 |
200 |
40 |
40 |
40 |
40 |
42×2 |
| DYTP2000Ⅱ |
165 |
250 |
265 |
710 |
240 |
45 |
165 |
70 |
200 |
40 |
40 |
40 |
40 |
42×2 |
| DYTP2000Ⅲ |
165 |
300 |
265 |
920 |
260 |
45 |
165 |
70 |
200 |
40 |
40 |
40 |
40 |
42×2 |
| DYTP3000Ⅰ |
165 |
250 |
285 |
660 |
240 |
45 |
165 |
70 |
200 |
40 |
40 |
50 |
40 |
48×2 |
| DYTP3000Ⅱ |
165 |
250 |
285 |
710 |
240 |
45 |
165 |
70 |
200 |
40 |
40 |
50 |
40 |
48×2 |
| DYTP3000Ⅲ |
165 |
300 |
285 |
935 |
290 |
45 |
165 |
70 |
200 |
40 |
40 |
50 |
40 |
48×2 |
| DYTP5000Ⅰ |
165 |
250 |
335 |
705 |
240 |
55 |
205 |
80 |
200 |
40 |
40 |
60 |
50 |
52×2 |
| DYTP5000Ⅱ |
165 |
300 |
335 |
920 |
260 |
55 |
2058 |
80 |
200 |
40 |
40 |
60 |
50 |
52×2 |
| DYTP8000Ⅰ |
219 |
300 |
380 |
830 |
290 |
65 |
230 |
100 |
260 |
50 |
50 |
70 |
60 |
68×2 |
| DYTP12000Ⅰ |
273 |
350 |
460 |
1040 |
350 |
75 |
260 |
110 |
320 |
60 |
70 |
80 |
70 |
85×2 |
|
| |
| 注:S為行程(mm):防塵套時L、L另加0.1S、P型為軸銷擺動,Ps型為尾部懸掛 |
| |
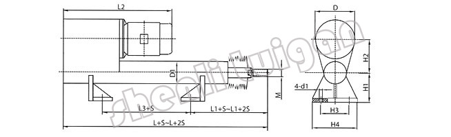
| 七、DYTPg型平行固定式電液推桿外形尺寸及安裝尺寸 |
| |
 |
| |
| 型號 |
外形尺寸 |
安裝尺寸 |
| D |
D1 |
L |
L2 |
H2 |
L1 |
L3 |
H1 |
H3 |
H4 |
Ф1 |
M |
| DYTPg450Ⅰ |
108 |
200 |
205 |
565 |
180 |
100 |
60 |
110 |
120 |
170 |
14 |
22×1.5 |
| DYTPg450Ⅱ |
108 |
200 |
205 |
570 |
180 |
100 |
60 |
110 |
120 |
170 |
14 |
22×1.5 |
| DYTPg450Ⅲ |
108 |
200 |
205 |
625 |
180 |
100 |
60 |
110 |
120 |
170 |
14 |
22×1.5 |
| DYTPg450Ⅳ |
108 |
250 |
205 |
685 |
220 |
100 |
60 |
110 |
120 |
170 |
14 |
22×1.5 |
| DYTPg700Ⅰ |
108 |
200 |
220 |
570 |
180 |
110 |
70 |
110 |
120 |
170 |
14 |
27×2 |
| DYTPg700Ⅱ |
108 |
200 |
220 |
620 |
180 |
110 |
70 |
110 |
120 |
170 |
14 |
27×2 |
| DYTPg700Ⅲ |
108 |
250 |
220 |
685 |
220 |
110 |
70 |
110 |
120 |
170 |
14 |
27×2 |
| DYTPg700Ⅳ |
108 |
250 |
220 |
715 |
220 |
110 |
70 |
110 |
120 |
170 |
14 |
27×2 |
| DYTPg1000Ⅰ |
133 |
200 |
220 |
585 |
200 |
110 |
70 |
130 |
200 |
260 |
18 |
27×2 |
| DYTPg1000Ⅱ |
133 |
250 |
220 |
655 |
220 |
110 |
70 |
130 |
200 |
260 |
18 |
27×2 |
| DYTPg1000Ⅲ |
133 |
250 |
220 |
685 |
220 |
110 |
70 |
130 |
200 |
260 |
18 |
27×2 |
| DYTPg1000Ⅳ |
133 |
300 |
220 |
830 |
250 |
110 |
70 |
130 |
200 |
260 |
18 |
27×2 |
| DYTPg1500Ⅰ |
133 |
200 |
255 |
590 |
200 |
120 |
80 |
130 |
200 |
260 |
18 |
33×2 |
| DYTPg1500Ⅱ |
133 |
250 |
255 |
665 |
220 |
120 |
80 |
130 |
200 |
260 |
18 |
33×2 |
| DYTPg1500Ⅲ |
133 |
250 |
255 |
755 |
220 |
120 |
80 |
130 |
200 |
260 |
18 |
33×2 |
| DYTPg1500Ⅳ |
133 |
300 |
255 |
900 |
250 |
120 |
80 |
130 |
200 |
260 |
18 |
33×2 |
| DYTPg2000Ⅰ |
165 |
250 |
265 |
655 |
240 |
130 |
90 |
160 |
210 |
280 |
22 |
42×2 |
| DYTPg2000Ⅱ |
165 |
250 |
265 |
710 |
240 |
130 |
90 |
160 |
210 |
280 |
22 |
42×2 |
| DYTPg2000Ⅲ |
165 |
300 |
265 |
920 |
260 |
130 |
90 |
160 |
210 |
280 |
22 |
42×2 |
| DYTPg3000Ⅰ |
165 |
250 |
285 |
660 |
240 |
140 |
90 |
160 |
210 |
280 |
22 |
48×2 |
| DYTPg3000Ⅱ |
165 |
250 |
285 |
710 |
240 |
140 |
90 |
160 |
210 |
280 |
22 |
48×2 |
| DYTPg3000Ⅲ |
165 |
300 |
285 |
935 |
290 |
140 |
90 |
160 |
210 |
280 |
22 |
48×2 |
| DYTPg5000Ⅰ |
165 |
250 |
335 |
705 |
240 |
170 |
100 |
160 |
210 |
280 |
22 |
52×2 |
| DYTPg5000Ⅱ |
165 |
300 |
335 |
920 |
260 |
170 |
100 |
160 |
210 |
280 |
22 |
52×2 |
| DYTPg8000Ⅰ |
219 |
300 |
380 |
830 |
290 |
200 |
105 |
220 |
320 |
420 |
26 |
68×2 |
| DYTPg12000Ⅰ |
273 |
350 |
460 |
1040 |
350 |
250 |
115 |
270 |
400 |
520 |
32 |
85×2 |
|
| |
| 注:S為行程(mm):防塵套時L、L另加0.1S |
| |
|